芯片简介
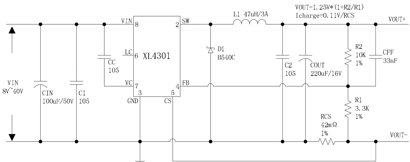
XL4301E1是一款高效降压型DC-DC转换器,支持8V至40V宽输入电压范围,内置功率MOSFET和固定180KHz开关频率。该芯片集成了频率补偿电路、恒流环路及输出线损补偿功能,具备输出短路保护和热关断保护机制。通过外部电阻分压网络实现输出电压调节,反馈参考电压为1.25V,典型应用包括车载充电器和便携设备供电。
芯片特点:
输入8V~40V
内置MOS
180KHz

XL4301E1是一款高效降压型DC-DC转换器,支持8V至40V宽输入电压范围,内置功率MOSFET和固定180KHz开关频率。该芯片集成了频率补偿电路、恒流环路及输出线损补偿功能,具备输出短路保护和热关断保护机制。通过外部电阻分压网络实现输出电压调节,反馈参考电压为1.25V,典型应用包括车载充电器和便携设备供电。
描述DCDC降压,电源输入30V以上,1A~3A(中电流)方案,XL4301是一款高效降压型DC-DC转换器,可工作在8V至40V输入电压范围,输出电压从1.25V至VIN-2V可调,最大3A开关电流,内置功率MOSFET,固定180KHz开关频率,具有低纹波、内置恒流环路、输出过电流保护、输出线损补偿、输出短路保护和热关断功能。
RoHSSMT扩展库
4000个/圆盘
总额¥0
近期成交46单