芯片简介
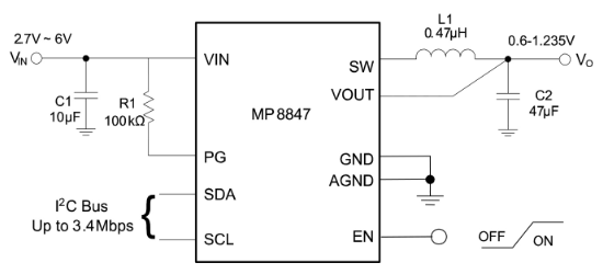
MP8847GD-Z是一款高效同步降压开关芯片,支持I²C接口动态调节输出电压(0.6V-1.235V,5mV步进),集成35mΩ高边和15mΩ低边MOSFET。特性包括6A负载能力、可编程开关频率(0.85MHz-2.2MHz)、内部软启动(1ms)、过流保护(OCP)及过温保护(OTP)。通过I²C接口可配置功率节省模式、电压转换速率及故障状态监测。
芯片特点:
输入2.7V~6V
输出6A
内置MOS
0.85MHz~2.2MHz
使能
软启动

MP8847GD-Z是一款高效同步降压开关芯片,支持I²C接口动态调节输出电压(0.6V-1.235V,5mV步进),集成35mΩ高边和15mΩ低边MOSFET。特性包括6A负载能力、可编程开关频率(0.85MHz-2.2MHz)、内部软启动(1ms)、过流保护(OCP)及过温保护(OTP)。通过I²C接口可配置功率节省模式、电压转换速率及故障状态监测。
描述DCDC降压,电源输入7V以内,3A以上(大电流)方案,
RoHSSMT扩展库
5000个/圆盘
总额¥0
近期成交1单