芯片简介
MP9486AGN-Z是一款高压降压开关稳压器,集成高边功率MOSFET,峰值开关电流限制为3.5A。采用迟滞电压模式控制,具有快速响应特性,反馈控制方案最小化外部元件需求。支持高达1MHz开关频率,提供热关断和短路保护功能,静态电流为170μA,适用于电池供电场景。
芯片特点:
输入4.5V~100V
输出1A
内置MOS
1MHz
使能

MP9486AGN-Z是一款高压降压开关稳压器,集成高边功率MOSFET,峰值开关电流限制为3.5A。采用迟滞电压模式控制,具有快速响应特性,反馈控制方案最小化外部元件需求。支持高达1MHz开关频率,提供热关断和短路保护功能,静态电流为170μA,适用于电池供电场景。
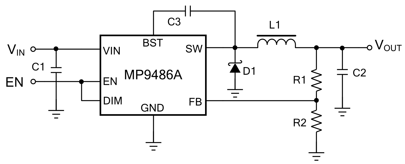
描述DCDC降压,电源输入30V以上,1A以内(小电流)方案,MP9486A是一款高压、降压开关调节器,可提供高达1A的连续负载电流。它集成了一个高侧高压MOSFET,具有3.5A的典型峰值开关电流限制。该器件采用滞回控制模式,无需补偿,最大开关频率可达1MHz,适用于汽车、工业和照明应用。
近期成交100单+