芯片简介
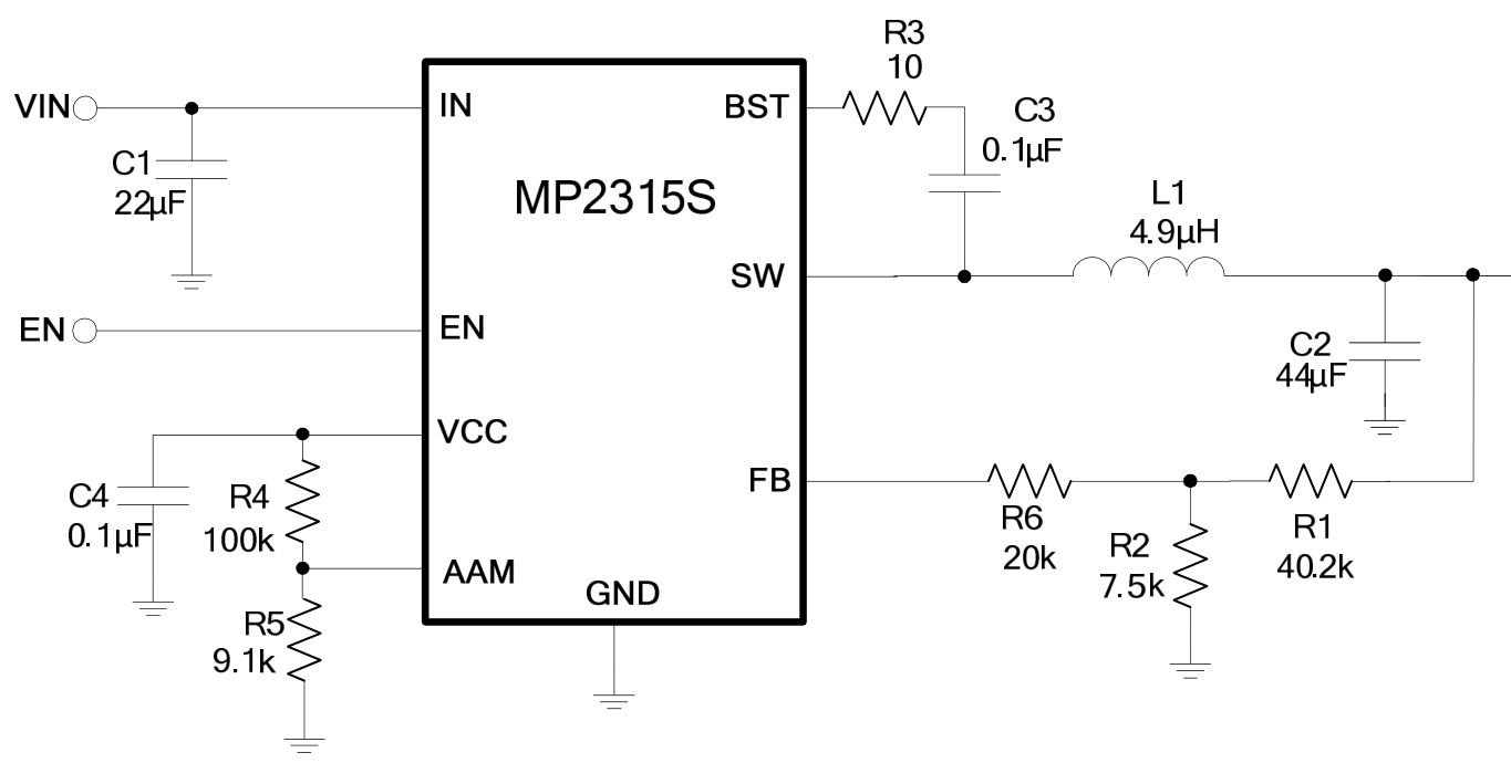
MP2315S是一款高效同步整流降压开关转换器,内置功率MOSFET,支持4.5V至24V宽输入电压范围,可提供3A连续输出电流。采用电流控制模式实现快速瞬态响应,具备过流保护(OCP)、过压保护(OVP)及热关断功能。特性包括低静态电流、同步模式运行、500kHz固定开关频率、AAM节能模式及内部软启动。
芯片特点:
输入4.5V~24V
输出3A
内置MOS
500kHz
使能
软启动

MP2315S是一款高效同步整流降压开关转换器,内置功率MOSFET,支持4.5V至24V宽输入电压范围,可提供3A连续输出电流。采用电流控制模式实现快速瞬态响应,具备过流保护(OCP)、过压保护(OVP)及热关断功能。特性包括低静态电流、同步模式运行、500kHz固定开关频率、AAM节能模式及内部软启动。
描述DCDC降压,电源输入7V~30V,1A~3A(中电流)方案,MP2315S是一款高效率的同步整流降压开关模式转换器,内置内部功率MOSFET。它提供了一个非常紧凑的解决方案,能够实现3A连续输出电流,具有宽输入电压范围,低静态电流,固定500kHz开关频率,以及多种保护功能。
近期成交100单+