芯片简介
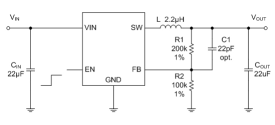
HT8089ARTZ是一款高效同步降压调节器,采用恒定频率电流模式架构,输入电压范围2.5V至5.5V,支持单节锂离子电池应用。具有100%占空比低压差操作、PWM/PFM模式切换以实现低纹波输出,内置0.6V反馈参考电压,静态电流低至40μA。集成过温保护、短路保护、过压保护及浪涌电流限制功能,开关频率1.2MHz,支持小型电感和电容。
芯片特点:
输入2.5V~5.5V
输出3A
内置MOS
1.2MHz
使能
软启动

HT8089ARTZ是一款高效同步降压调节器,采用恒定频率电流模式架构,输入电压范围2.5V至5.5V,支持单节锂离子电池应用。具有100%占空比低压差操作、PWM/PFM模式切换以实现低纹波输出,内置0.6V反馈参考电压,静态电流低至40μA。集成过温保护、短路保护、过压保护及浪涌电流限制功能,开关频率1.2MHz,支持小型电感和电容。
描述HT8089A是一款高效率的同步降压转换器,输入电压范围为2.5V至5.5V,开关频率为1.2MHz。它支持低静态电流和过温保护,适用于便携式设备和电池供电系统。
SMT扩展库
3000个/圆盘
总额¥0
近期成交19单