芯片简介
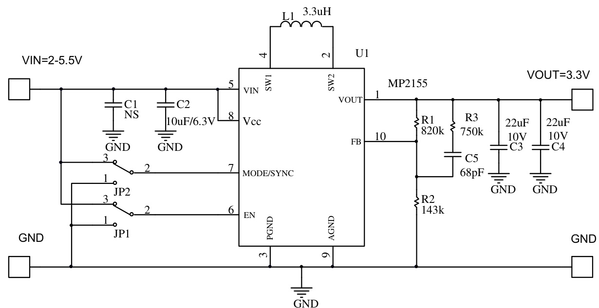
MP2155是一款高效率低静态电流的Buck-Boost转换器,支持输入电压高于、低于或等于输出电压的工作模式。采用1MHz固定频率PWM控制,集成低RDS(ON)的N/P沟道MOSFET,具备脉冲跳跃模式可在轻载时降低开关频率,内置软启动功能防止输出过冲,支持0.8μA典型静态电流。适用于单节锂离子或多节碱性电池供电场景,包含内部环路补偿、过温保护及短路保护功能。
芯片特点:
输入2V~5.5V
输出1A
内置MOS
1MHz
使能
软启动

MP2155是一款高效率低静态电流的Buck-Boost转换器,支持输入电压高于、低于或等于输出电压的工作模式。采用1MHz固定频率PWM控制,集成低RDS(ON)的N/P沟道MOSFET,具备脉冲跳跃模式可在轻载时降低开关频率,内置软启动功能防止输出过冲,支持0.8μA典型静态电流。适用于单节锂离子或多节碱性电池供电场景,包含内部环路补偿、过温保护及短路保护功能。
描述DCDC升降压,电源输入7V以内,1A以内(小电流)方案,MP2155是一款高效率的单电感升降压转换器,支持输入电压高于、低于或等于输出电压。该器件具有2.2A的开关,可提供高达1A的负载电流,适用于电池供电设备和其他需要灵活输出电压的应用。
RoHSSMT扩展库
5000个/圆盘
总额¥0
近期成交19单