芯片简介
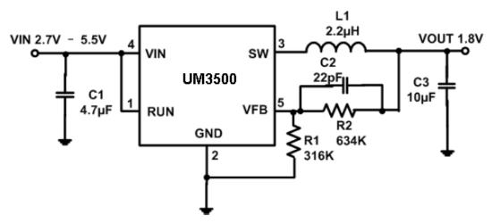
UM3500是一款同步降压型DC-DC转换器,集成主开关和同步整流器,无需外部肖特基二极管。适用于单节锂离子电池供电的便携设备,输入电压范围2.5V至5.5V,输出可低至0.6V,支持600mA负载电流。采用1.5MHz固定频率的斜率补偿电流模式PWM控制,具有高达96%的效率和100%占空比低压差运行模式。轻载时自动进入脉冲跳跃模式以降低输出纹波,内置短路保护和热故障保护功能。
芯片特点:
输入2.5V~5.5V
输出600mA
内置MOS
1.5MHz
使能

UM3500是一款同步降压型DC-DC转换器,集成主开关和同步整流器,无需外部肖特基二极管。适用于单节锂离子电池供电的便携设备,输入电压范围2.5V至5.5V,输出可低至0.6V,支持600mA负载电流。采用1.5MHz固定频率的斜率补偿电流模式PWM控制,具有高达96%的效率和100%占空比低压差运行模式。轻载时自动进入脉冲跳跃模式以降低输出纹波,内置短路保护和热故障保护功能。
描述UM3500是一款1.5MHz固定频率、斜率补偿电流模式PWM降压转换器。该设备集成了主开关和同步整流器,无需外部肖特基二极管。适用于便携式设备,如单节锂离子电池供电的手机、微处理器和DSP核心等。UM3500可以从2.5V到5.5V的输入电压提供600mA的负载电流,输出电压可低至0.6V。支持100%占空比的低dropout操作,延长电池寿命。轻载下进入脉冲跳跃模式,提供非常低的输出纹波电压,适合噪声敏感应用。
RoHS
3000个/圆盘
总额¥0