芯片简介
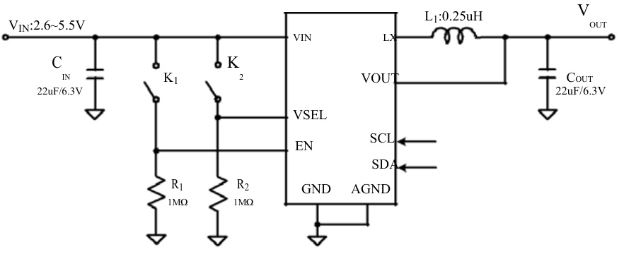
SYR838PKC是一款高效率同步降压型DC/DC调节器芯片,输入电压范围2.6V至5.5V,可编程输出电压0.7125V至1.5V,支持6A连续输出电流。集成低导通电阻的主开关和同步开关,采用2.4MHz固定开关频率设计,具备I²C接口调节功能、内部软启动和hiccup短路保护。
芯片特点:
输入2.6V~5.5V
输出6A
内置MOS
2.4MHz
使能
软启动

SYR838PKC是一款高效率同步降压型DC/DC调节器芯片,输入电压范围2.6V至5.5V,可编程输出电压0.7125V至1.5V,支持6A连续输出电流。集成低导通电阻的主开关和同步开关,采用2.4MHz固定开关频率设计,具备I²C接口调节功能、内部软启动和hiccup短路保护。
描述SYR837/SYR838是一款高效的2.4MHz同步降压DC/DC调节IC,能够提供高达6A的输出电流。它可在2.6V至5.5V的宽输入电压范围内工作,并集成了导通电阻RDS(ON)极低的主开关和同步开关,以最大限度地降低传导损耗。输出电压可通过I²C接口在0.7125V至1.5V范围内进行编程
SMT扩展库
3000个/圆盘
总额¥0
近期成交19单