芯片简介
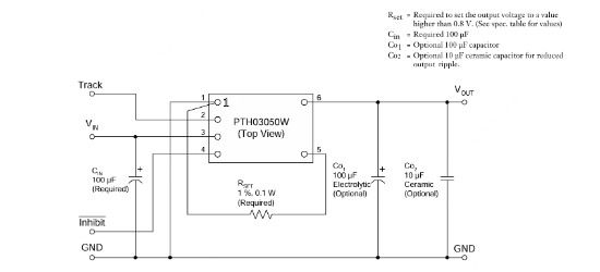
PTH03050WAH是一款3.3V输入的非隔离降压电源模块,具有Auto-Track电压跟踪功能,支持0.8V至2.5V宽范围输出电压调节。该模块采用同步整流架构,效率高达94%,集成过流保护、欠压锁定和预偏置启动功能,提供100μF输入电容推荐配置,适用于高密度电源系统。
芯片特点:
输入2.95V~3.65V
输出0~6A
550~650kHz
非隔离
使能
模块

PTH03050WAH是一款3.3V输入的非隔离降压电源模块,具有Auto-Track电压跟踪功能,支持0.8V至2.5V宽范围输出电压调节。该模块采用同步整流架构,效率高达94%,集成过流保护、欠压锁定和预偏置启动功能,提供100μF输入电容推荐配置,适用于高密度电源系统。
描述PTH03050W 具有自动跟踪功能的 6A 输出 3.3V 输入的非隔离宽调节模块
RoHSSMT扩展库
56个/托盘
总额¥0