芯片简介
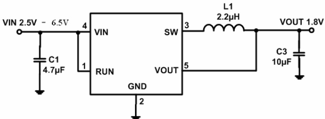
APS2410是一款高效率同步降压调节器,采用恒定频率电流模式架构,输入电压范围2.5V至6.5V,支持低至0.6V的输出电压。集成主开关和同步整流器,无需外部肖特基二极管。具备96%转换效率、1.5MHz开关频率、短路及热故障保护功能,静态电流300μA,关断电流低于1μA。内置软启动和100%占空比低压差模式,适用于电池供电系统。
芯片特点:
输入2.5V~6.5V
输出1.0A
内置MOS
1.5MHz
使能
软启动

APS2410是一款高效率同步降压调节器,采用恒定频率电流模式架构,输入电压范围2.5V至6.5V,支持低至0.6V的输出电压。集成主开关和同步整流器,无需外部肖特基二极管。具备96%转换效率、1.5MHz开关频率、短路及热故障保护功能,静态电流300μA,关断电流低于1μA。内置软启动和100%占空比低压差模式,适用于电池供电系统。
| 开源项目名称 | 开源项目介绍 |
|---|---|
| DC-DC降压芯片方案验证板-A版 | 该方案验证版,主要用于测试市面上常见的SOT-23封装的降压型DC/DC芯片,板子上目前集成了三种引脚排序。 |
描述APS2410是一款高效率的单片同步降压调节器,采用恒定频率电流模式架构。该设备提供可调版本和固定输出电压版本。集成的主开关和同步整流器提高了效率,消除了对外部肖特基二极管的需求。输入电压范围为2.5V至6.5V,适用于单节锂离子电池和两到四节AA电池供电的应用。输出电压可低至0.6V,具有100%占空比的低dropout操作,延长了便携式系统的电池寿命。
RoHSSMT扩展库
3000个/圆盘
总额¥0
近期成交24单