芯片简介
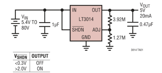
LT3014是一款高压、微功耗低压差线性稳压器,支持3V至80V输入电压范围,静态电流低至7μA。器件采用误差放大器、基准电压源、功率晶体管和保护电路设计,具有350mV低压差、反向电池保护、热限制功能,支持陶瓷/钽/铝电解电容稳定工作,适用于汽车电子和电池供电系统。
芯片特点:
输入80V
输出20mA
精度±1.6%
输出1.22V~60V可调
使能

LT3014是一款高压、微功耗低压差线性稳压器,支持3V至80V输入电压范围,静态电流低至7μA。器件采用误差放大器、基准电压源、功率晶体管和保护电路设计,具有350mV低压差、反向电池保护、热限制功能,支持陶瓷/钽/铝电解电容稳定工作,适用于汽车电子和电池供电系统。
| 开源项目名称 | 开源项目介绍 |
|---|---|
| C2842719-LDO方案验证板(A版) | LDO验证板A版:3款SOT-23-3、3款SOT-89-3、2款SOT-23-5、2款SOT-23-6、2款SOT-223。 |
RoHSSMT扩展库
2500个/圆盘
总额¥0
近期成交2单