芯片简介
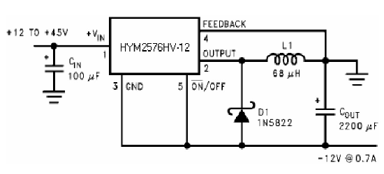
HYM2576S-3.3是一款单片集成的高效降压转换器,提供3.3V固定输出,支持3A负载电流。具有宽输入电压范围(3V至40V,HV版本可达60V),内置52KHz固定频率振荡器,需外接少量元件(电感、二极管等)。支持外部关断功能,具备低备用电流、过热关断和限流保护,兼容LM2576。适用于高效率降压调节、正负压转换及线性前级转换等场景。
芯片特点:
输入3V~40V
输出3A
52KHz
使能
工业品
HYM2576S-3.3是一款单片集成的高效降压转换器,提供3.3V固定输出,支持3A负载电流。具有宽输入电压范围(3V至40V,HV版本可达60V),内置52KHz固定频率振荡器,需外接少量元件(电感、二极管等)。支持外部关断功能,具备低备用电流、过热关断和限流保护,兼容LM2576。适用于高效率降压调节、正负压转换及线性前级转换等场景。
| 开源项目名称 | 开源项目介绍 |
|---|---|
| DCDC-TO263-5封装方案验证板 | PCB适用于TO263-5封装的DCDC降压芯片,由于包含型号较多,不同型号之间的参数存在差异,所以部分元件选用时需要视实际情况决定。 |
描述直流降压调节器,输出3.3V固定电压
SMT扩展库
50个/管
总额¥0
描述直流降压调节器,输出12V固定电压
SMT扩展库
50个/管
总额¥0
近期成交1单
描述直流降压调节器,输出5V固定电压
SMT扩展库
50个/管
总额¥0
近期成交1单
描述直流降压调节器,可调输出电压范围为1.23V~37V(对于HV版本57V)±4%
SMT扩展库
50个/管
总额¥0
描述PCB空板 PCB适用于TO263-5封装的DCDC降压芯片,由于包含型号较多,不同型号之间的参数存在差异,所以部分元件选用时需要视实际情况决定。
1个/袋
总额¥0
近期成交2单