芯片简介
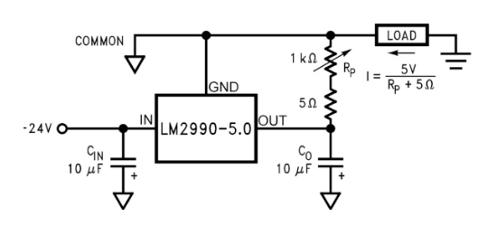
LM2990T-5.0/NOPB是一款1A负压LDO稳压器,输入电压范围-26V至-6V,输出固定-5V,精度±5%。采用误差放大器、基准电压源、功率晶体管和保护电路,具有0.6V典型压差、低静态电流,支持内部短路保护和带滞后的热关断功能,适用于双电源系统和电流沉应用。
芯片特点:
输入-26V~-6V
输出1A
精度±5%
输出-5V
负压

LM2990T-5.0/NOPB是一款1A负压LDO稳压器,输入电压范围-26V至-6V,输出固定-5V,精度±5%。采用误差放大器、基准电压源、功率晶体管和保护电路,具有0.6V典型压差、低静态电流,支持内部短路保护和带滞后的热关断功能,适用于双电源系统和电流沉应用。
描述LM2990 1A、负低压降稳压器
RoHSSMT扩展库
45个/管
总额¥0