芯片简介
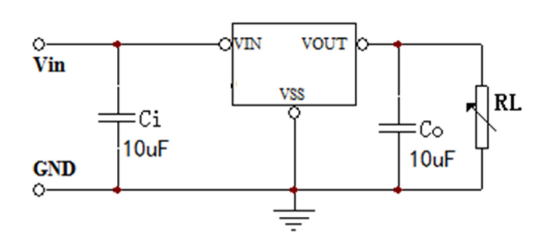
HX7830是一款高精度、快速响应的低压差线性稳压器,具有高纹波抑制、低输出噪音和快速响应特性,内置过流保护及负载短路保护,适用于手持设备、电池供电设备等。芯片由误差放大器、基准电压源、功率晶体管和保护电路组成,提供±2%的输出电压精度和极低静态电流。
芯片特点:
输入8V
输出400mA
精度±2%
输出3.0V

HX7830是一款高精度、快速响应的低压差线性稳压器,具有高纹波抑制、低输出噪音和快速响应特性,内置过流保护及负载短路保护,适用于手持设备、电池供电设备等。芯片由误差放大器、基准电压源、功率晶体管和保护电路组成,提供±2%的输出电压精度和极低静态电流。
| 开源项目名称 | 开源项目介绍 |
|---|---|
| C2842719-LDO方案验证板(A版) | LDO验证板A版:3款SOT-23-3、3款SOT-89-3、2款SOT-23-5、2款SOT-23-6、2款SOT-223。 |
描述HX78XX系列是一款高精度,快速响应的低压差线性稳压器。该系列的稳压器具有高纹波抑制,低输出噪音,快速响应的良好性能。因具有高精度的输出稳定性和低压差输出,以及良好的过流保护和负载短路保护特性,特别适合在手持设备上应用。
RoHSSMT扩展库
1000个/圆盘
总额¥0