芯片简介
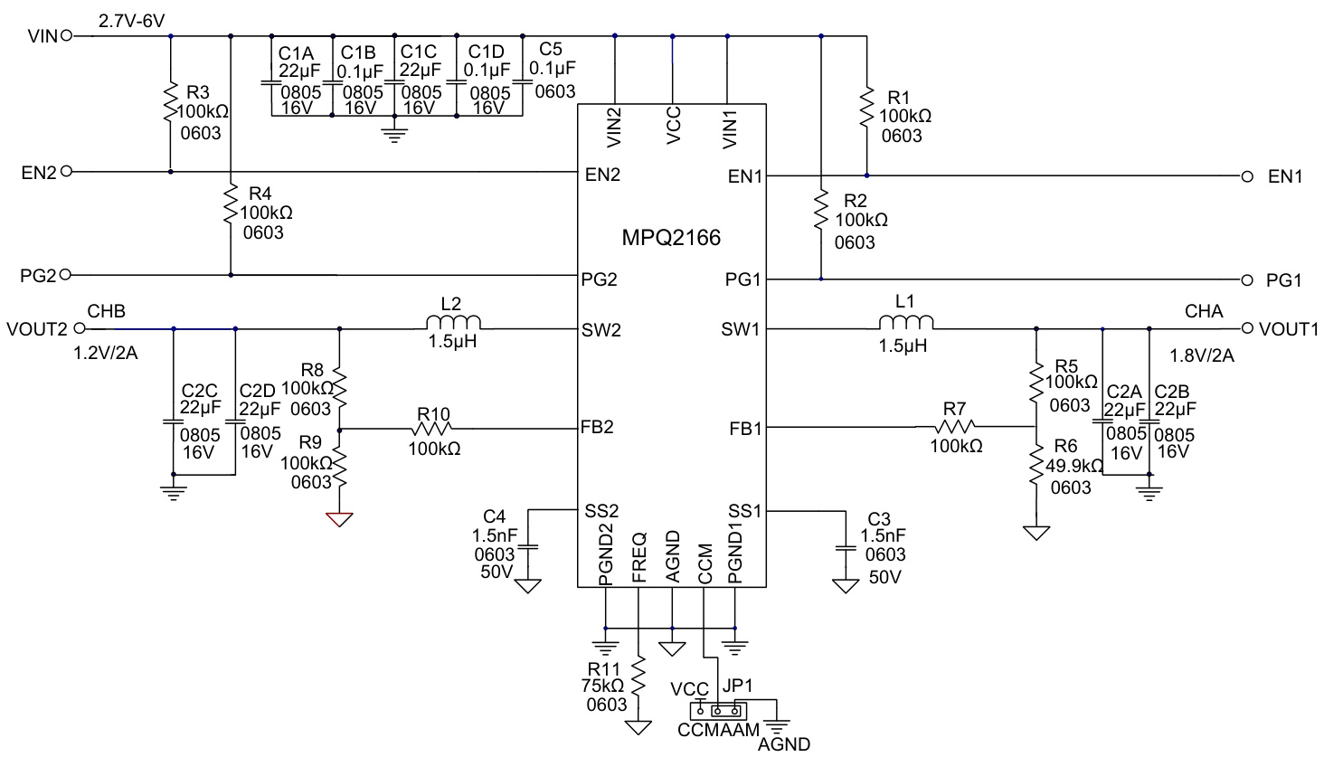
MPQ2166是一款双通道PWM同步降压调节器,输入电压范围2.7V至6V,可输出低至0.6V。集成55mΩ高边和20mΩ同步整流MOSFET,支持180°相位差操作降低输入纹波。具有60μA静态电流、可调工作频率(外部同步支持至3MHz)、外部软启动及电源良好指示功能。内置循环过流保护、短路保护(带打嗝模式)和热关断,采用峰值电流模式控制架构。双通道可配置为2A/2A或3A/1A输出模式,支持强制连续导通模式(FCCM)和先进异步模式(AAM)的轻载优化,符合AEC-Q100Grade-1车规认证。
芯片特点:
车规级
输入2.7V~6V
输出2A/2A/3A/1A
内置MOS
可编程至3MHz
使能
双路输出
软启动



