芯片简介
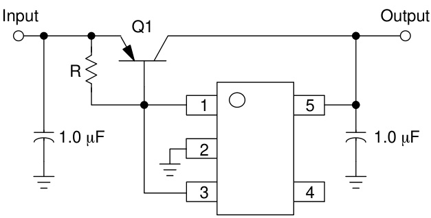
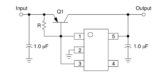
NCP551系列是固定输出的低静态电流CMOS低压差线性稳压器,适用于手持通信设备和便携式电池供电应用。芯片包含电压参考单元、误差放大器、PMOS功率晶体管、输出电压设置电阻、电流限制和温度保护电路,支持宽输入电压范围,静态电流典型值为4.0μA,输出电压精度±2%。
芯片特点:
输入12V
输出150mA
精度±2%
输出3.3V
使能

NCP551系列是固定输出的低静态电流CMOS低压差线性稳压器,适用于手持通信设备和便携式电池供电应用。芯片包含电压参考单元、误差放大器、PMOS功率晶体管、输出电压设置电阻、电流限制和温度保护电路,支持宽输入电压范围,静态电流典型值为4.0μA,输出电压精度±2%。
| 开源项目名称 | 开源项目介绍 |
|---|---|
| C2842719-LDO方案验证板(A版) | LDO验证板A版:3款SOT-23-3、3款SOT-89-3、2款SOT-23-5、2款SOT-23-6、2款SOT-223。 |
描述NCP551系列固定输出低压差线性稳压器专为需要低静态电流的手持通信设备和便携式电池供电应用而设计。NCP551系列的特点是具有4.0 μA的超低静态电流。每个器件包含一个电压基准单元、一个误差放大器、一个PMOS功率晶体管、用于设置输出电压的电阻、电流限制和温度限制保护电路
RoHSSMT扩展库
3000个/圆盘
总额¥0
近期成交23单