芯片简介
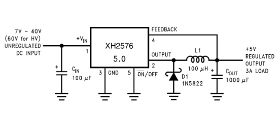
XH2576系列是单片集成降压开关稳压器芯片,提供固定(3.3V/5V/12V/15V)及可调输出(1.23V-37V,HV版至57V),支持3A负载电流。特性包括宽输入电压范围(HV版本达60V)、仅需4个外部元件、52kHz固定频率内部振荡器、TTL关断控制及低待机功耗。内部集成频率补偿、过流保护和热关断功能,采用标准电感优化设计。
芯片特点:
输入40V~60V
输出3A
52kHz
使能


XH2576系列是单片集成降压开关稳压器芯片,提供固定(3.3V/5V/12V/15V)及可调输出(1.23V-37V,HV版至57V),支持3A负载电流。特性包括宽输入电压范围(HV版本达60V)、仅需4个外部元件、52kHz固定频率内部振荡器、TTL关断控制及低待机功耗。内部集成频率补偿、过流保护和热关断功能,采用标准电感优化设计。
描述功能类型:降压型 SIMPLE SWITCHER? 3A 降压电压稳压器
SMT扩展库
500个/圆盘
总额¥0
近期成交8单