芯片简介
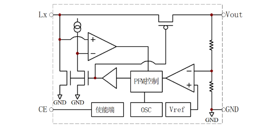
SC2188系列是采用CMOS工艺制造的低静态电流PFM开关型同步整流DC/DC升压转换器,通过先进电路设计改善开关噪声问题。适用于1-3节电池供电设备,包含控制电路、驱动电路及同步整流结构,具有低静态电流、高效率及使能控制功能。
芯片特点:
输入0.9V~5V
输出2.8V
250kHz
使能


SC2188系列是采用CMOS工艺制造的低静态电流PFM开关型同步整流DC/DC升压转换器,通过先进电路设计改善开关噪声问题。适用于1-3节电池供电设备,包含控制电路、驱动电路及同步整流结构,具有低静态电流、高效率及使能控制功能。
描述SC2188 系列芯片是采用CMOS 工艺制造的低静态电流的PFM 开关型同步整流DC/DC 升压转换器。该系列芯片采用先进的电路设计和制造工艺,极大地改善了开关电路固有的噪声问题,减小对周围电路的干扰,非常适合应用于电池供电的设备仪器。
3000个/圆盘
总额¥0
近期成交4单