芯片简介
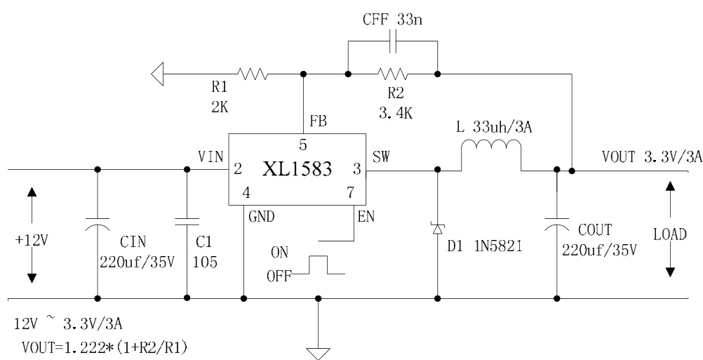
XL1583是一款380KHz固定频率PWM降压DC/DC转换器,支持3.6V至23V输入电压,输出电压可调范围1.222V至21V,提供3A恒定输出电流。内置优化的功率MOSFET,具备高效率、低纹波特性,集成过流保护、短路保护、热关断功能,并采用EN引脚实现TTL关闭控制。其内部结构包含频率补偿电路、固定频率振荡器和PWM控制电路,支持100%占空比,最小压差0.6V。
芯片特点:
输入3.6V~23V
输出3A
内置MOS
380KHz
使能

XL1583是一款380KHz固定频率PWM降压DC/DC转换器,支持3.6V至23V输入电压,输出电压可调范围1.222V至21V,提供3A恒定输出电流。内置优化的功率MOSFET,具备高效率、低纹波特性,集成过流保护、短路保护、热关断功能,并采用EN引脚实现TTL关闭控制。其内部结构包含频率补偿电路、固定频率振荡器和PWM控制电路,支持100%占空比,最小压差0.6V。
描述DCDC降压,电源输入7V~30V,1A~3A(中电流)方案,XL1583是一款380KHz固定频率、3.6V至23V输入电压范围、输出可调的PWM降压DC-DC转换器,最大输出电流为3A,内置优化的功率MOSFET,具有高效率、低纹波和优秀的线性和负载调节性能。
4000个/圆盘
总额¥0
近期成交100单+