芯片简介
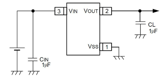
662K/65K5系列是高精度、低功耗、正电压调整器芯片,采用CMOS工艺和激光微调技术,具有极低静态偏置电流和300mA输出电流能力。芯片包含电流限制电路、驱动器三极管、高精度参考电压源和误差校正电路,支持低ESR陶瓷电容和短路保护,输出电压范围为1.5V至5.0V。
芯片特点:
输入8V
输出300mA
精度±2%
功耗:250mW
输出1.5V~5.0V

662K/65K5系列是高精度、低功耗、正电压调整器芯片,采用CMOS工艺和激光微调技术,具有极低静态偏置电流和300mA输出电流能力。芯片包含电流限制电路、驱动器三极管、高精度参考电压源和误差校正电路,支持低ESR陶瓷电容和短路保护,输出电压范围为1.5V至5.0V。
| 开源项目名称 | 开源项目介绍 |
|---|---|
| C2842719-LDO方案验证板(A版) | LDO验证板A版:3款SOT-23-3、3款SOT-89-3、2款SOT-23-5、2款SOT-23-6、2款SOT-223。 |
描述该662K./65K5.系列是一款高精度,低功耗,高电压,正电压调整器的芯片,并采用CMOS工艺和激光微调技术。具有很低的静态偏置电流(10uA Typ. ),它们能在输入、输出电压差极小的情况下有300 mA的输出电流,并且仍能保持良好的调整率。662K./65K5.系列芯片包括一个电流限制电路,一个驱动器三极管,一个高精度参考电压源和一个误差校正电路。662K./65K5.系列可使用低ESR陶瓷电容。该电流限制器的返回电路可为电流限制器和输出引脚提供短路保护。通过激光微调技术,可设定芯片的输出电压的范围是1.5V至5.0V,间隔为0.1V。由于输入输出间的电压差很小和静态偏置电流很小,这些器件特别适用于希望延长有用电池寿命的电池供电类产品,如计算机、消费类产品和工业设备等。
RoHSSMT扩展库
3000个/圆盘
总额¥0
近期成交100单+