芯片简介
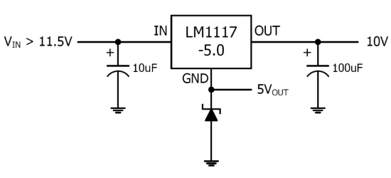
LM1117GSF-ADJ是一款低功耗正电压稳压器,设计满足300mA输出电流,适用于电池供电应用、SCSI总线有源终端和便携式计算机。该器件具有极低静态电流和低压差特性,内部集成误差放大器、基准电压源、功率晶体管及保护电路,提供低噪声输出和±1%的参考电压精度,支持可调输出电压配置。
芯片特点:
输入20V
输出0.3A
精度±1%
输出可调

LM1117GSF-ADJ是一款低功耗正电压稳压器,设计满足300mA输出电流,适用于电池供电应用、SCSI总线有源终端和便携式计算机。该器件具有极低静态电流和低压差特性,内部集成误差放大器、基准电压源、功率晶体管及保护电路,提供低噪声输出和±1%的参考电压精度,支持可调输出电压配置。
| 开源项目名称 | 开源项目介绍 |
|---|---|
| C2842719-LDO方案验证板(A版) | LDO验证板A版:3款SOT-23-3、3款SOT-89-3、2款SOT-23-5、2款SOT-23-6、2款SOT-223。 |
描述LM1117GSF 是一款低功耗正压稳压器,旨在满足 300mA 的输出电流。该器件是电池供电应用、SCSI 总线有源终端器以及便携式计算机的理想选择。LM1117GSF 具有极低的静态电流和极低的压差,满载时仅为 1.2V,并且随着输出电流的减小而降低。
RoHSSMT扩展库
3000个/圆盘
总额¥0
近期成交15单