芯片简介
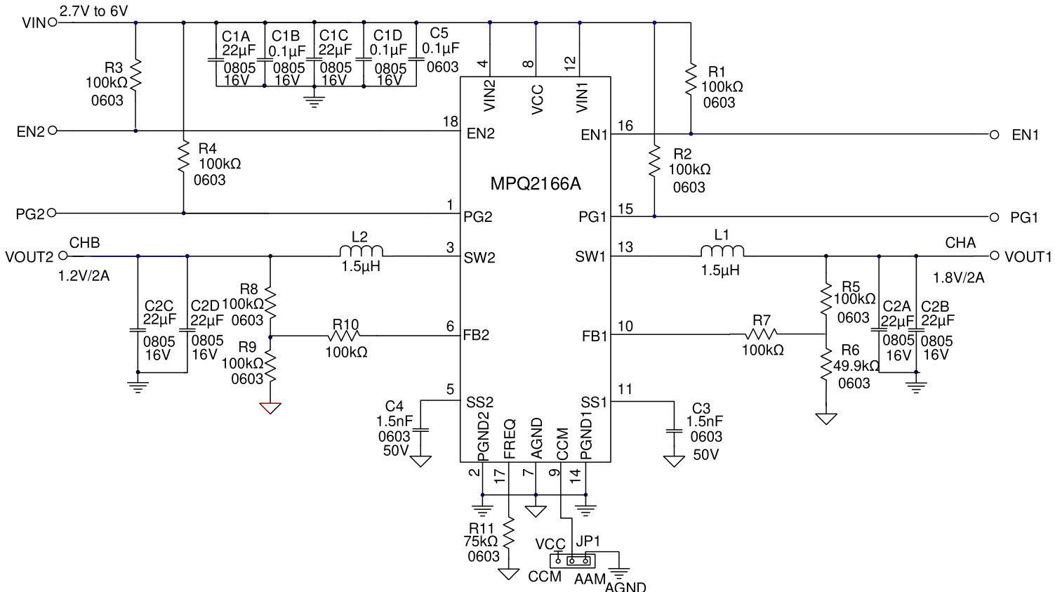
MPQ2166A是一款双通道同步降压稳压器,集成55mΩ高边开关和20mΩ同步整流器,支持2.7V至6V输入范围及0.6V至5.5V输出电压。具备双路独立输出配置(2A/2A或3A/1A),峰值效率超过90%,采用峰值电流模式控制与内部补偿,支持外部同步时钟、180°相位差操作及可调软启动。内置保护功能包括逐周期过流保护、短路保护和热关断,适用于车规级应用(AEC-Q100认证)。
芯片特点:
车规级
输入2.7V~6V
输出2A/2A/3A/1A
内置MOS
350kHz~3MHz
使能
双路输出
软启动



