芯片简介
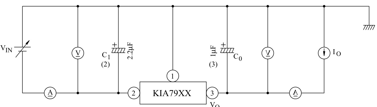
KIA7924PI-U/PF是一款三端负压稳压器,输出电流超过1.0A,适用于CMOS/TTL等数字IC供电。内置热过载保护和短路电流限制功能,输出电压范围-25.2V至-22.5V,典型值-24V。
芯片特点:
输入-40V
输出1.0A
精度±5%
功耗:2000mW
输出-24V
负压
工业品
KIA7924PI-U/PF是一款三端负压稳压器,输出电流超过1.0A,适用于CMOS/TTL等数字IC供电。内置热过载保护和短路电流限制功能,输出电压范围-25.2V至-22.5V,典型值-24V。
50个/管
总额¥0