芯片简介
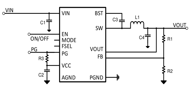
SCT2260AFPAR是一款18V输入、6A高效同步降压DCDC转换器,集成25mΩ高边和12mΩ低边功率MOSFET。采用恒定导通时间控制模式,支持400KHz/800KHz/1.2MHz可选开关频率,提供PFM/USM/PWM三种工作模式优化轻载效率。具备1ms固定软启动、过流/过压/欠压/热关断保护功能,通过内部补偿简化环路设计,典型应用包含输入电容滤波、电感选型和反馈电阻网络配置。
芯片特点:
输入4.5V~18V
输出6A
内置MOS
400KHz/800KHz/1.2MHz
使能
软启动




