芯片简介
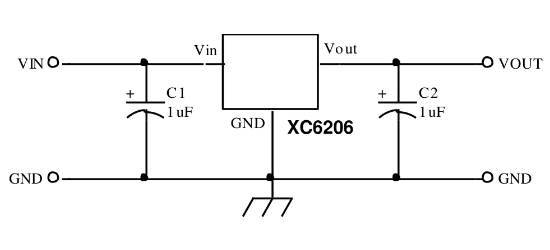
XC6206系列是高精度、低功耗的三端正电压稳压器,采用CMOS和激光修整技术,具有低压差和大电流输出能力。芯片包含电流限制器、驱动晶体管、精密参考电压和误差校正电路,支持短路保护和输出电流限制,兼容低ESR陶瓷电容器。特性包括±2%输出电压精度、5uA低静态电流、低压降和低温度系数,适用于低噪声应用场景。
芯片特点:
输入8V
输出0.3A
精度±2%
功耗:0.20W
输出1.5V
工业品
XC6206系列是高精度、低功耗的三端正电压稳压器,采用CMOS和激光修整技术,具有低压差和大电流输出能力。芯片包含电流限制器、驱动晶体管、精密参考电压和误差校正电路,支持短路保护和输出电流限制,兼容低ESR陶瓷电容器。特性包括±2%输出电压精度、5uA低静态电流、低压降和低温度系数,适用于低噪声应用场景。
| 开源项目名称 | 开源项目介绍 |
|---|---|
| C2842719-LDO方案验证板(A版) | LDO验证板A版:3款SOT-23-3、3款SOT-89-3、2款SOT-23-5、2款SOT-23-6、2款SOT-223。 |
描述XC6206系列是采用CMOS和激光微调技术制造的高精度、低功耗三端正电压稳压器。该系列能以极低的压差提供大电流。XC6206由限流电路、驱动晶体管、精密基准电压源和误差校正电路组成
RoHSSMT扩展库
3000个/圆盘
总额¥0
近期成交33单