芯片简介
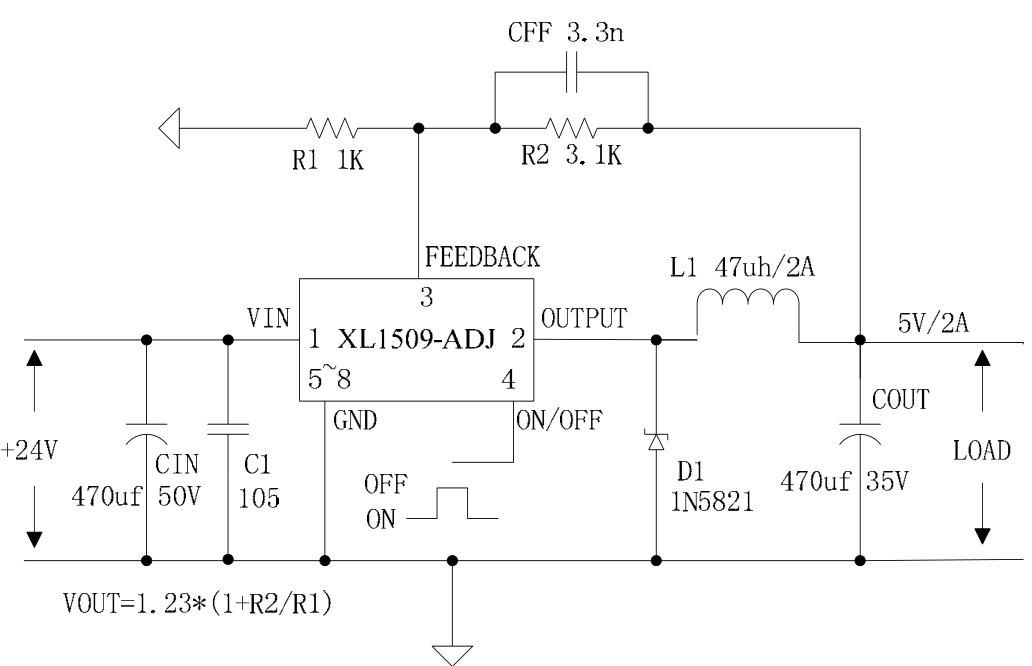
XL1509是一款150KHz固定频率PWM降压DC/DC转换器,支持4.5V至40V宽输入电压范围,可驱动2A负载,具有高效率、低纹波和优异的线性/负载调节特性。其内部集成优化功率晶体管、固定频率振荡器及频率补偿电路,并包含使能控制、过流保护、热关断和双电流限制功能。
芯片特点:
输入4.5V~40V
输出2A
内置MOS
150KHz
使能

XL1509是一款150KHz固定频率PWM降压DC/DC转换器,支持4.5V至40V宽输入电压范围,可驱动2A负载,具有高效率、低纹波和优异的线性/负载调节特性。其内部集成优化功率晶体管、固定频率振荡器及频率补偿电路,并包含使能控制、过流保护、热关断和双电流限制功能。
描述DCDC降压,电源输入30V以上,1A~3A(中电流)方案,ADJ
SMT扩展库
4000个/圆盘
总额¥0
近期成交100单+
描述DCDC降压,电源输入30V以上,1A~3A(中电流)方案,
SMT基础库
4000个/圆盘
总额¥0
近期成交100单+