芯片简介
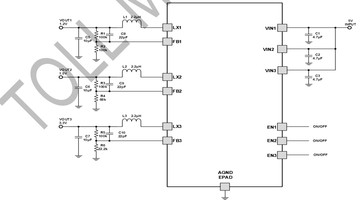
TMI7003C是一款高集成度同步降压电源管理芯片,集成3通道同步降压转换器。采用高效同步整流模式,效率超过93%,内置低阻抗MOSFET。支持输入欠压锁定(UVLO)、过压保护(OVP)、过流保护、热关断(OTP)功能,具有1.5MHz固定开关频率和内部软启动机制。
芯片特点:
输入2.5V~5.5V
输出1.5A
内置MOS
1.5MHz
使能
软启动

TMI7003C是一款高集成度同步降压电源管理芯片,集成3通道同步降压转换器。采用高效同步整流模式,效率超过93%,内置低阻抗MOSFET。支持输入欠压锁定(UVLO)、过压保护(OVP)、过流保护、热关断(OTP)功能,具有1.5MHz固定开关频率和内部软启动机制。
描述TMI7003C是一款高度集成的电源管理IC,设计用于最小化消费和多媒体应用中的功耗。它集成了3个高效同步降压转换器,支持2.5V到5.5V的输入电压范围,输出电压低至0.6V,峰值电流能力为1.5A。该器件具有100%占空比的dropout操作、高效率同步模式操作、内部软启动、欠压锁定、旁路和过流及过温保护功能。
RoHSSMT扩展库
3000个/圆盘
总额¥0
近期成交88单