芯片简介
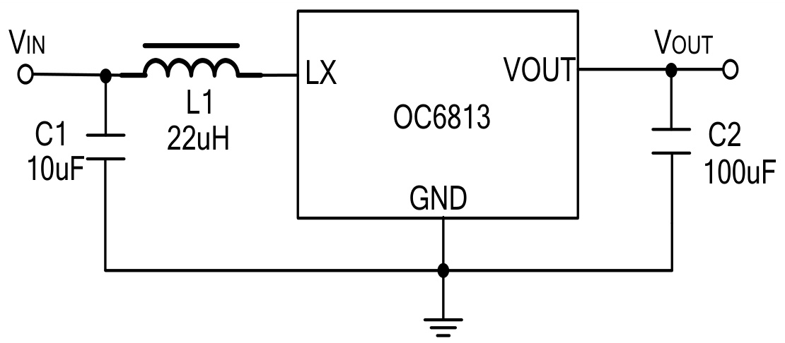
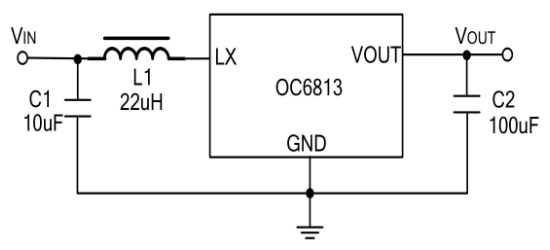
OC6813T33是一款低待机功耗、高效率的同步升压DC-DC芯片,采用PFM控制方式,轻载时自动降低开关频率以提高效率。外围仅需3个元件,专利控制技术实现输入电流低至15uA,适用于对待机时间要求高的应用。芯片由控制电路和开关电路组成,具有低纹波、低噪声特性,转换效率可高达93%。
芯片特点:
输入0.9V~5V
输出3.3V
370KHz


OC6813T33是一款低待机功耗、高效率的同步升压DC-DC芯片,采用PFM控制方式,轻载时自动降低开关频率以提高效率。外围仅需3个元件,专利控制技术实现输入电流低至15uA,适用于对待机时间要求高的应用。芯片由控制电路和开关电路组成,具有低纹波、低噪声特性,转换效率可高达93%。
描述OC6813是一款具有低待机功耗、高效率的同步升压DC-DC,待机电流仅15uA。采用固定导通时间的PFM控制方式,在轻载时自动降低开关频率保持高的转换效率。外围仅需3个元件,即可实现将低输入的电池电压转换到所需的工作电压。适用于1~2节干电池供电的电子设备,如电子词典、数码相机、血压计、MP3、遥控玩具、无线耳机、无线鼠标键盘、医疗器械、防丢器、汽车防盗器、充电器、VCR、PDA等手持电子设备。
RoHSSMT扩展库
3000个/圆盘
总额¥0
近期成交11单