芯片简介
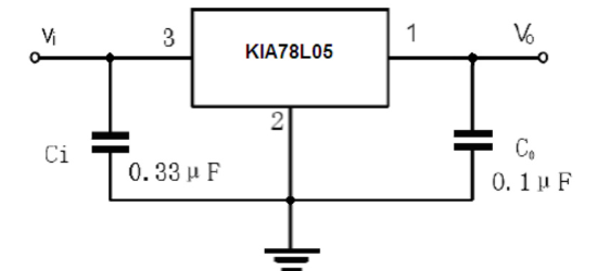
KIA78L05T是一款单片固定电压稳压器集成电路,适用于需要高达100mA供电电流的应用。其特性包括最高100mA输出电流、无需外部元件、热过载关断保护和短路电流限制。
芯片特点:
输入30V
输出0.1A
精度±4%
功耗:500mW
输出5V

KIA78L05T是一款单片固定电压稳压器集成电路,适用于需要高达100mA供电电流的应用。其特性包括最高100mA输出电流、无需外部元件、热过载关断保护和短路电流限制。
| 开源项目名称 | 开源项目介绍 |
|---|---|
| C2842719-LDO方案验证板(A版) | LDO验证板A版:3款SOT-23-3、3款SOT-89-3、2款SOT-23-5、2款SOT-23-6、2款SOT-223。 |
描述KIA78L05是一款单片式固定电压调节集成电路,适用于所需供电电流高达100 mA的应用场景。
RoHSSMT扩展库
1000个/圆盘
总额¥0
近期成交18单