芯片简介
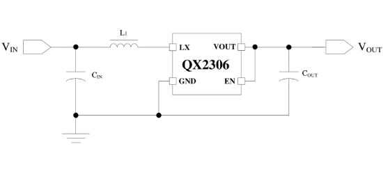
QX2306是一款高效率、低功耗、低纹波的PFM同步升压DC/DC变换器,采用内置同步开关管结构,最高效率达95%。支持0.65V低启动电压,通过内部修调电路可步进0.1V调节输出电压至1.9V~3.3V,静态电流仅13uA。工作于PFM模式以降低轻载纹波,外围电路仅需三个元件。内部集成振荡器、参考电压电路、过流保护及同步管控制模块,适用于低噪声手持设备。
芯片特点:
输入0.65V~7V
输出1.9V~3.3V
内置MOS
300KHz
使能


QX2306是一款高效率、低功耗、低纹波的PFM同步升压DC/DC变换器,采用内置同步开关管结构,最高效率达95%。支持0.65V低启动电压,通过内部修调电路可步进0.1V调节输出电压至1.9V~3.3V,静态电流仅13uA。工作于PFM模式以降低轻载纹波,外围电路仅需三个元件。内部集成振荡器、参考电压电路、过流保护及同步管控制模块,适用于低噪声手持设备。
描述QX2306是一款高效率、低功耗、低纹波、高工作频率的PFM同步升压DC/DC变换器。它仅需要三个外围元件,可将低输入电压升压到所需的工作电压。适用于手持电子设备,如电子词典、数码相机、LED手电筒等。
SMT扩展库
3000个/圆盘
总额¥0
近期成交1单