芯片简介
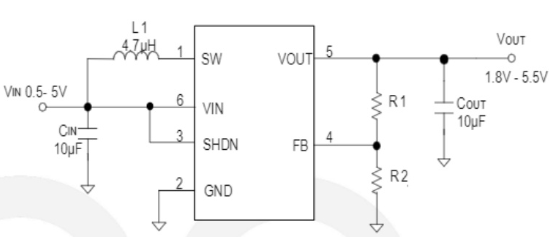
DIO6602是一款基于恒定关断时间/PSM控制器拓扑的同步升压DC/DC转换器,采用内部同步整流器以提高效率。支持0.7V最低输入电压,轻载时自动进入PSM模式以降低静态电流(典型值12μA),具备低EMI模式减少辐射干扰。功能框架包含误差放大器、同步开关、零电流比较器和可调反馈电阻网络,通过外部电阻分压器设定输出电压。
芯片特点:
输入0.7V~5V
输出1.8V~5.5V
内置MOS
1MHz
使能

DIO6602是一款基于恒定关断时间/PSM控制器拓扑的同步升压DC/DC转换器,采用内部同步整流器以提高效率。支持0.7V最低输入电压,轻载时自动进入PSM模式以降低静态电流(典型值12μA),具备低EMI模式减少辐射干扰。功能框架包含误差放大器、同步开关、零电流比较器和可调反馈电阻网络,通过外部电阻分压器设定输出电压。
描述DIO6602是一款基于恒定关断时间/PSM控制拓扑的同步升压DC-DC转换器。它在轻负载时自动进入PSM模式,以提高效率并减少静态电流。该芯片适用于由一到两节碱性、Ni-Cd或Ni-MH电池供电的产品。工作输入电压范围为0.7V至5V,输出电压范围为1.8V至5.5V。
RoHSSMT扩展库
3000个/圆盘
总额¥0
近期成交3单