芯片简介
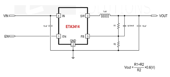
ETA3414S2F是一款高效率DC-DC降压开关稳压器,采用强制PWM模式,最大输出电流1.5A。输入电压范围2.6V至7V,输出电压可调范围0.6V至VIN。内置同步整流器与电流检测MOSFET,支持内部补偿、软启动功能,集成短路保护和热过载保护。采用3MHz固定开关频率,优化外围元件尺寸。
芯片特点:
输入2.6V~7V
输出1.5A
内置MOS
3MHz
使能
软启动

ETA3414S2F是一款高效率DC-DC降压开关稳压器,采用强制PWM模式,最大输出电流1.5A。输入电压范围2.6V至7V,输出电压可调范围0.6V至VIN。内置同步整流器与电流检测MOSFET,支持内部补偿、软启动功能,集成短路保护和热过载保护。采用3MHz固定开关频率,优化外围元件尺寸。
描述ETA3414是一款高效DC-DC降压转换器,采用强制PWM模式,最大输出电流可达1.5A,开关频率为3MHz。输入电压范围为2.6V到7V,输出电压范围为0.6V到VIN。该器件采用SOT23-5封装,内置补偿电路,适合低电压电源转换。
RoHSSMT扩展库
3000个/圆盘
总额¥0
近期成交56单