芯片简介
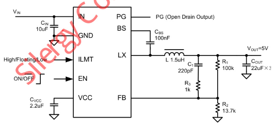
SY8368QNC是一款高效率同步降压DC-DC调节器,输入电压范围4V~28V,集成主开关和同步开关,具有20/10mΩ超低导通电阻。采用即时PWM架构实现快速瞬态响应,伪恒定频率800kHz工作模式,支持8A连续/16A峰值输出电流,内置400μs软启动、电源良好指示及短路锁定保护功能。
芯片特点:
输入4~28V
输出8A
内置MOS
800kHz
使能
软启动

SY8368QNC是一款高效率同步降压DC-DC调节器,输入电压范围4V~28V,集成主开关和同步开关,具有20/10mΩ超低导通电阻。采用即时PWM架构实现快速瞬态响应,伪恒定频率800kHz工作模式,支持8A连续/16A峰值输出电流,内置400μs软启动、电源良好指示及短路锁定保护功能。
| 开源项目名称 | 开源项目介绍 |
|---|---|
| DC-ATX 电源 | 该电源为直流宽电压转ATX电脑电源模块,输入13V~24V, 输出12V 5V 3.3V 5V待机电源 适用于低功耗ITX主机 |
| SY8368QNC大功率电源板 | SY8368QNC大功率电源板,大电流设计,10A电流下烤鸡1小时没啥问题 |
描述SY8368是一款高效的同步降压DC-DC调节器,能够提供8A连续电流和16A峰值电流。其工作电压范围为4V到28V,采用即时PWM架构实现快速瞬态响应。内部集成主开关和同步开关,具有非常低的导通电阻,以减少传导损耗。内置400μs软启动功能,限制浪涌电流。工作频率为800kHz,具有可编程峰值电流限制和电源良好指示功能。
5000个/圆盘
总额¥0
近期成交100单+