芯片简介
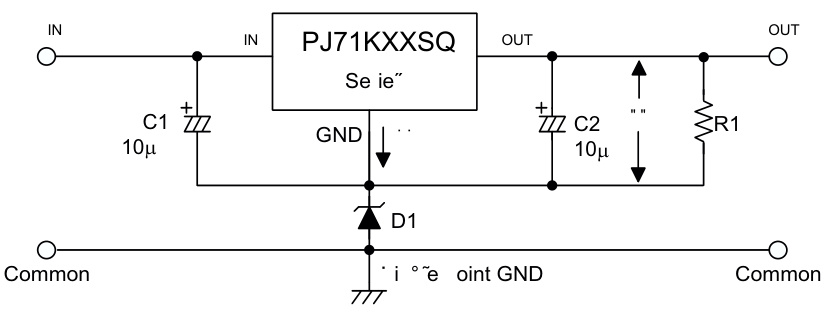
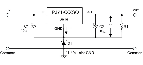
PJ71K50SQ是PJ71KXXSQ系列中的一款三端低功耗高压CMOS线性稳压器,支持高达24V的输入电压,提供5.0V固定输出电压。采用CMOS技术实现低压降和低静态电流,具备低温度系数特性。适用于电池供电设备、通信设备和音视频设备,可通过外部组件调整电压和电流。
芯片特点:
输入28V
输出30mA
精度±5%
功耗:200mW
输出3.0V
工业品
PJ71K50SQ是PJ71KXXSQ系列中的一款三端低功耗高压CMOS线性稳压器,支持高达24V的输入电压,提供5.0V固定输出电压。采用CMOS技术实现低压降和低静态电流,具备低温度系数特性。适用于电池供电设备、通信设备和音视频设备,可通过外部组件调整电压和电流。
| 开源项目名称 | 开源项目介绍 |
|---|---|
| C2842719-LDO方案验证板(A版) | LDO验证板A版:3款SOT-23-3、3款SOT-89-3、2款SOT-23-5、2款SOT-23-6、2款SOT-223。 |
描述是一组采用CMOS技术实现的三端低功耗高压稳压器。允许高达24V的输入电压,有几种固定输出电压可供选择,范围从3.0V到5.0V。CMOS技术确保了低压降和低静态电流。虽然主要设计为固定电压稳压器,但这些器件可以与外部组件一起使用,以获得可变电压和电流。
SMT扩展库
1000个/圆盘
总额¥0
近期成交1单