芯片简介
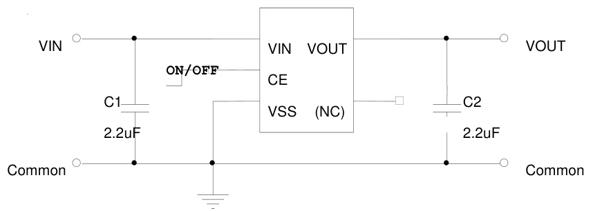
LN1154系列是使用CMOS技术开发的高速、低压差、高精度输出电压、低消耗电流的正电压型电压稳压器,内置低通态电阻晶体管,压差低,能够获得较大输出电流。内置过流保护和泄流管。特性包括±2%输出电压精度、典型压差180mV、60μA静态电流、60dB纹波抑制比及使能控制功能。内部组成包含误差放大器、基准电压源、功率晶体管和保护电路。
芯片特点:
输入7V
输出300mA
精度±2%
功耗:60μA
输出1.8V
使能

LN1154系列是使用CMOS技术开发的高速、低压差、高精度输出电压、低消耗电流的正电压型电压稳压器,内置低通态电阻晶体管,压差低,能够获得较大输出电流。内置过流保护和泄流管。特性包括±2%输出电压精度、典型压差180mV、60μA静态电流、60dB纹波抑制比及使能控制功能。内部组成包含误差放大器、基准电压源、功率晶体管和保护电路。
| 开源项目名称 | 开源项目介绍 |
|---|---|
| C2842719-LDO方案验证板(A版) | LDO验证板A版:3款SOT-23-3、3款SOT-89-3、2款SOT-23-5、2款SOT-23-6、2款SOT-223。 |
描述LN1154系列是使用CMOS技术开发的高速、低压差,高精度输出电压,低消耗电流正电压型电压稳压器。由于内置有低通态电阻晶体管,因而压差低,能够获得较大的输出电流。为了使负载电流不超过输出晶体管的电流容量,内置了过流等保护电路。
RoHSSMT扩展库
3000个/圆盘
总额¥0