芯片简介
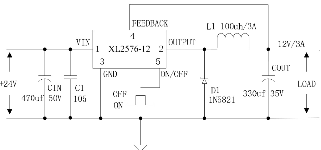
XL2576系列是52KHz固定频率PWM降压型DC/DC转换器,具有4.5V至40V宽输入电压范围和3A恒定输出能力。集成内部优化功率晶体管,支持100%最大占空比和1.23V基准电压反馈,具备TTL关闭功能、热关断保护和电流限制功能。采用固定频率架构设计,内置频率补偿模块,外部仅需少量元件即可实现高效率(典型值78%)和优异的线性/负载调节特性。
芯片特点:
输入4.5V~40V
输出3A
内置MOS
52KHz
使能
工业品
XL2576系列是52KHz固定频率PWM降压型DC/DC转换器,具有4.5V至40V宽输入电压范围和3A恒定输出能力。集成内部优化功率晶体管,支持100%最大占空比和1.23V基准电压反馈,具备TTL关闭功能、热关断保护和电流限制功能。采用固定频率架构设计,内置频率补偿模块,外部仅需少量元件即可实现高效率(典型值78%)和优异的线性/负载调节特性。
| 参考设计 | ||
| 规格书 | ||
| 开源项目名称 | 开源项目介绍 |
|---|---|
| DCDC-TO263-5封装方案验证板 | PCB适用于TO263-5封装的DCDC降压芯片,由于包含型号较多,不同型号之间的参数存在差异,所以部分元件选用时需要视实际情况决定。 |
描述DCDC降压,电源输入30V以上,1A~3A(中电流)方案,ADJ
SMT扩展库
800个/圆盘
总额¥0
近期成交21单
描述DCDC降压,电源输入30V以上,1A~3A(中电流)方案,5.0V
SMT扩展库
800个/圆盘
总额¥0
近期成交100单+
描述DCDC降压,电源输入30V以上,1A~3A(中电流)方案,5.0V
50个/管
总额¥0
近期成交5单
描述DCDC降压,电源输入30V以上,1A~3A(中电流)方案,ADJ
SMT扩展库
50个/管
总额¥0
近期成交4单
描述PCB空板 PCB适用于TO263-5封装的DCDC降压芯片,由于包含型号较多,不同型号之间的参数存在差异,所以部分元件选用时需要视实际情况决定。
1个/袋
总额¥0
近期成交2单