芯片简介
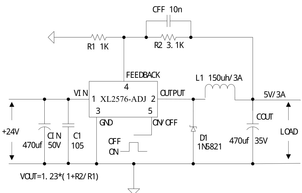
XL2576是一款52KHz固定频率PWM降压型DC/DC转换器,支持4.5V至40V宽输入电压范围,可驱动3A负载,具备高效率、低纹波及优异的线路/负载调节特性。其内部集成优化功率晶体管、过流保护、热关断功能及使能控制,采用固定频率振荡器和内部频率补偿,最小化外部元件需求。功能框架包含PWM控制电路、功率开关、反馈调节及保护模块。
芯片特点:
输入4.5V~40V
输出3A
内置MOS
52KHz
使能

XL2576是一款52KHz固定频率PWM降压型DC/DC转换器,支持4.5V至40V宽输入电压范围,可驱动3A负载,具备高效率、低纹波及优异的线路/负载调节特性。其内部集成优化功率晶体管、过流保护、热关断功能及使能控制,采用固定频率振荡器和内部频率补偿,最小化外部元件需求。功能框架包含PWM控制电路、功率开关、反馈调节及保护模块。
| 规格书 | ||
| 参考设计 | ||
| 开源项目名称 | 开源项目介绍 |
|---|---|
| DCDC-TO263-5封装方案验证板 | PCB适用于TO263-5封装的DCDC降压芯片,由于包含型号较多,不同型号之间的参数存在差异,所以部分元件选用时需要视实际情况决定。 |
描述DCDC降压,电源输入30V以上,1A~3A(中电流)方案,5.0V
SMT扩展库
800个/圆盘
总额¥0
近期成交100单+
描述DCDC降压,电源输入30V以上,1A~3A(中电流)方案,ADJ
SMT扩展库
800个/圆盘
总额¥0
近期成交25单
描述DCDC降压,电源输入30V以上,1A~3A(中电流)方案,5.0V
50个/管
总额¥0
近期成交3单
描述DCDC降压,电源输入30V以上,1A~3A(中电流)方案,ADJ
SMT扩展库
50个/管
总额¥0
近期成交4单
描述PCB空板 PCB适用于TO263-5封装的DCDC降压芯片,由于包含型号较多,不同型号之间的参数存在差异,所以部分元件选用时需要视实际情况决定。
1个/袋
总额¥0
近期成交2单