芯片简介
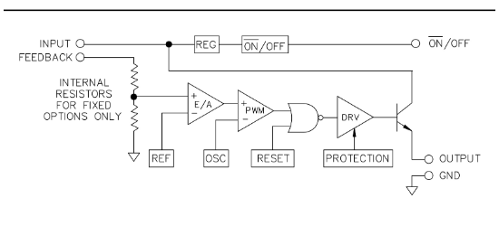
LM2575S-ADJ是一款单片集成开关稳压器,支持降压或升降压拓扑,仅需外接电感、二极管和两个电容即可构建高效DC-DC转换器。其输入电压范围为4V至40V,输出电压可调(1.23V至35V),效率典型值为82%(5V输出时)。芯片内置补偿网络和过流保护、热关断功能,提供工业级温度范围,并具备使能控制引脚。

LM2575S-ADJ是一款单片集成开关稳压器,支持降压或升降压拓扑,仅需外接电感、二极管和两个电容即可构建高效DC-DC转换器。其输入电压范围为4V至40V,输出电压可调(1.23V至35V),效率典型值为82%(5V输出时)。芯片内置补偿网络和过流保护、热关断功能,提供工业级温度范围,并具备使能控制引脚。
| 开源项目名称 | 开源项目介绍 |
|---|---|
| DCDC-TO263-5封装方案验证板 | PCB适用于TO263-5封装的DCDC降压芯片,由于包含型号较多,不同型号之间的参数存在差异,所以部分元件选用时需要视实际情况决定。 |
描述是专为“降压”或“降压/升压”调节器应用而设计的单片集成电路,可在输入电压、负载和温度的综合变化下提供精确的输出电压。该系列极大地简化了开关电源的设计。包括一个开关调节器和补偿网络,都封装在同一个封装内。只需添加一个扼流圈、一个续流二极管和两个电容器,即可获得高效的直流到直流转换器。具有限流和热关断功能,可充分保护设备免受过应力条件的影响。与流行的三端线性稳压器相比,提供更高的效率并减小散热器尺寸。在许多应用中不需要散热器。
SMT扩展库
800个/圆盘
总额¥0
近期成交13单
描述是专为“降压”或“降压/升压”调节器应用而设计的单片集成电路,可在输入电压、负载和温度的综合变化下提供精确的输出电压。该系列极大地简化了开关电源的设计。包括一个开关调节器和补偿网络,都封装在同一个封装内。只需添加一个扼流圈、一个续流二极管和两个电容器,即可获得高效的直流到直流转换器。具有限流和热关断功能,可充分保护设备免受过应力条件的影响。与流行的三端线性稳压器相比,提供更高的效率并减小散热器尺寸。在许多应用中不需要散热器。
RoHSSMT扩展库
800个/圆盘
总额¥0
近期成交8单
描述是专为“降压”或“降压/升压”调节器应用而设计的单片集成电路,可在输入电压、负载和温度的综合变化下提供精确的输出电压。该系列极大地简化了开关电源的设计。包括一个开关调节器和补偿网络,都封装在同一个封装内。只需添加一个扼流圈、一个续流二极管和两个电容器,即可获得高效的直流到直流转换器。具有限流和热关断功能,可充分保护设备免受过应力条件的影响。与流行的三端线性稳压器相比,提供更高的效率并减小散热器尺寸。在许多应用中不需要散热器。
SMT扩展库
800个/圆盘
总额¥0
近期成交80单
描述PCB空板 PCB适用于TO263-5封装的DCDC降压芯片,由于包含型号较多,不同型号之间的参数存在差异,所以部分元件选用时需要视实际情况决定。
1个/袋
总额¥0
近期成交2单