芯片简介
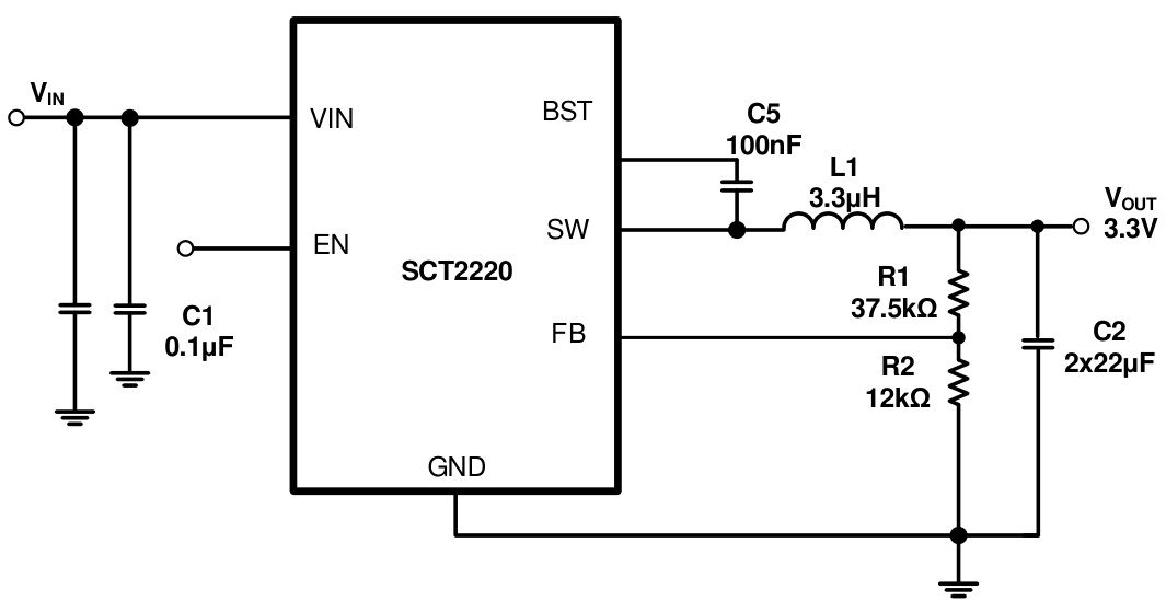
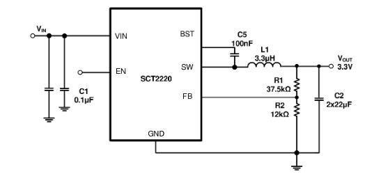
SCT2220TVBR是一款高效同步降压DCDC转换器,输入电压范围4.2V至17V,输出电流2A,集成90mΩ/60mΩ高边和同步MOSFET以降低导通损耗。采用800kHz固定开关频率,支持节能模式(PSM)提升轻载效率,内置2ms软启动、过流保护、输入欠压锁定及热关断功能,适用于平板电视、网络系统等通用电子设备。
芯片特点:
输入4.2V~17V
输出2A
内置MOS
800kHz
使能
软启动

SCT2220TVBR是一款高效同步降压DCDC转换器,输入电压范围4.2V至17V,输出电流2A,集成90mΩ/60mΩ高边和同步MOSFET以降低导通损耗。采用800kHz固定开关频率,支持节能模式(PSM)提升轻载效率,内置2ms软启动、过流保护、输入欠压锁定及热关断功能,适用于平板电视、网络系统等通用电子设备。
| 开源项目名称 | 开源项目介绍 |
|---|---|
| DC-DC降压芯片方案验证板-A版 | 该方案验证版,主要用于测试市面上常见的SOT-23封装的降压型DC/DC芯片,板子上目前集成了三种引脚排序。 |
描述SCT2220 是一款高度集成的高效同步降压式 DC-DC 转换器,能够提供 2A 电流。该器件的输入电压范围很宽,为 4.2V 至 17V,并且高度集成了导通电阻(Rdson)极低的高端功率 MOSFET 和同步 MOSFET,可将传导损耗降至最低。凭借 800kHz 的开关频率,可实现低输出电压纹波,并减小外部电感和电容的尺寸
RoHSSMT扩展库
3000个/圆盘
总额¥0
近期成交74单