芯片简介
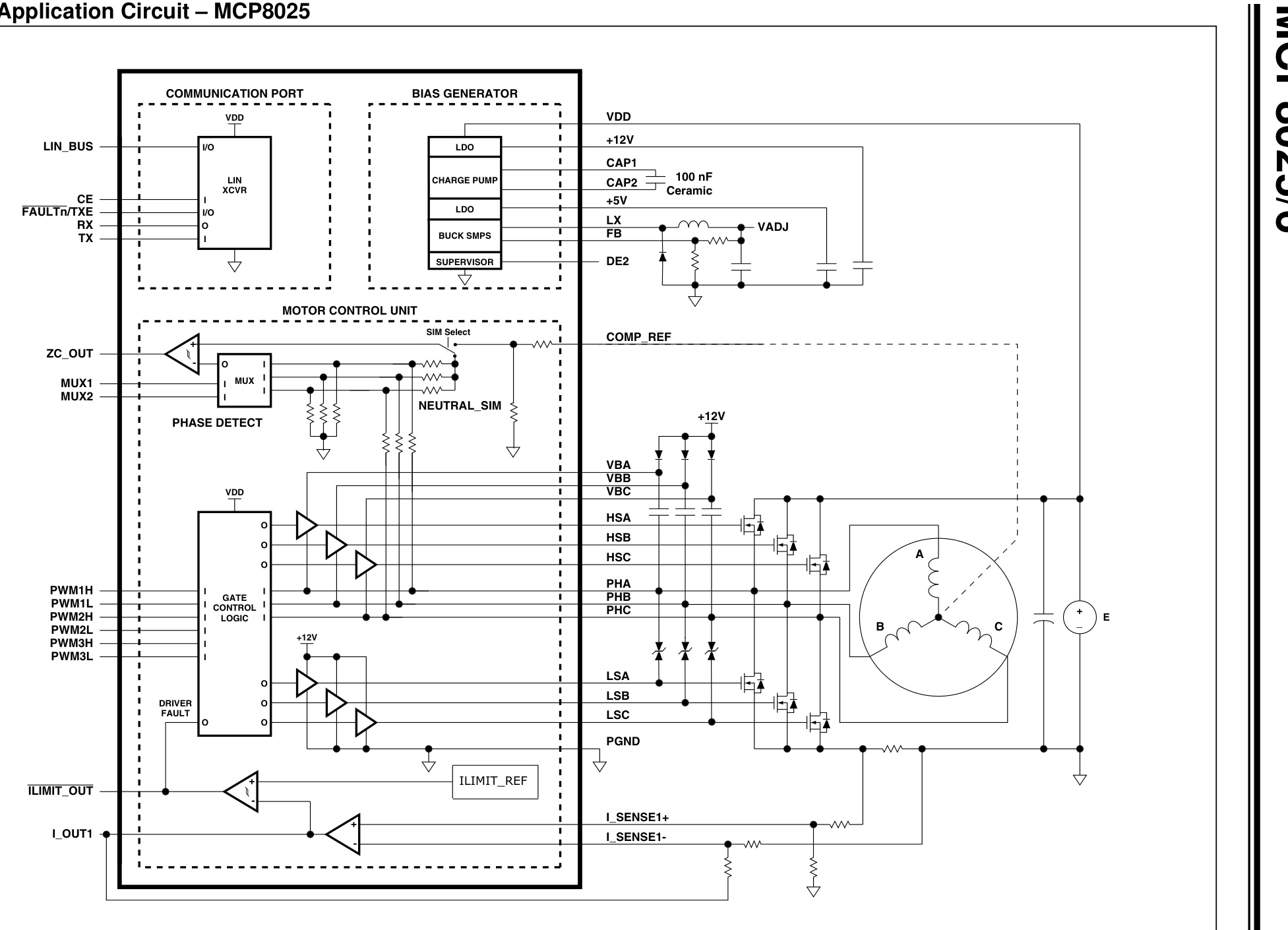
MCP8025/6是集成三相半桥驱动器的车规级无刷电机驱动模块,支持6-40V宽电压输入和0.5A峰值驱动电流。特性包含LIN总线接口、可编程保护功能、休眠模式、集成12V/5V LDO稳压器、运放及硬件换向检测。内部由三相逆变器、保护电路、通信接口和电源管理单元构成,适用于汽车电子和工业电机控制。
芯片特点:
最大输入40V
输出0.5A
车规级
工作电压6V~40V
驱动电流:0.5A
方波
集成霍尔传感器
LIN/PWM/DE2通信
可编程
模块

MCP8025/6是集成三相半桥驱动器的车规级无刷电机驱动模块,支持6-40V宽电压输入和0.5A峰值驱动电流。特性包含LIN总线接口、可编程保护功能、休眠模式、集成12V/5V LDO稳压器、运放及硬件换向检测。内部由三相逆变器、保护电路、通信接口和电源管理单元构成,适用于汽车电子和工业电机控制。
RoHSSMT扩展库
3300个/圆盘
总额¥0