芯片简介
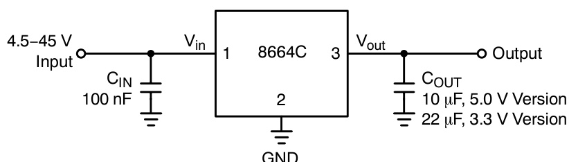
NCV8664C是一款精密3.3V和5.0V固定输出低压差线性稳压器,输出电流150mA,典型静态电流22μA。具有±2%的输出精度,最大压降600mV,输入电压范围4.5V至45V,内置反向电压、短路和过热保护。适用于汽车和存储设备供电,符合AEC-Q100标准,具备低噪声特性。内部结构包括误差放大器、带隙基准、PNP调整管及保护电路。
芯片特点:
车规级
输入45V
输出150mA
精度±2.0%
输出5.0V

NCV8664C是一款精密3.3V和5.0V固定输出低压差线性稳压器,输出电流150mA,典型静态电流22μA。具有±2%的输出精度,最大压降600mV,输入电压范围4.5V至45V,内置反向电压、短路和过热保护。适用于汽车和存储设备供电,符合AEC-Q100标准,具备低噪声特性。内部结构包括误差放大器、带隙基准、PNP调整管及保护电路。
| 开源项目名称 | 开源项目介绍 |
|---|---|
| C2842719-LDO方案验证板(A版) | LDO验证板A版:3款SOT-23-3、3款SOT-89-3、2款SOT-23-5、2款SOT-23-6、2款SOT-223。 |
描述NCV8664C 是一款精密的 3.3 V 和 5.0 V 固定输出低压差集成稳压器,输出电流能力为 150 mA。通过精心管理轻载电流消耗,并结合低漏电工艺,可实现典型 22 μA 的静态电流。NCV8664C 在引脚和功能上与 NCV4264−2C 兼容,在需要更低静态电流时可替代该器件
RoHSSMT扩展库
4000个/圆盘
总额¥0