芯片简介
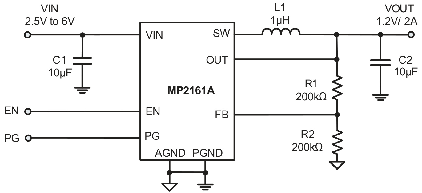
MP2161A是一款单片式降压开关转换器,内置双功率MOSFET,支持2.5V至6V输入电压范围,可提供高达2A连续输出电流,输出电压最低可调至0.6V。采用恒定导通时间(COT)控制方案实现快速瞬态响应,集成使能控制、软启动、电源就绪指示功能,并具备过流保护、短路保护和热关断机制。器件通过低ESR陶瓷电容稳定工作,适用于便携设备及低压I/O系统供电。
芯片特点:
输入2.5V~6V
输出2A
内置MOS
1.5MHz
使能
软启动

MP2161A是一款单片式降压开关转换器,内置双功率MOSFET,支持2.5V至6V输入电压范围,可提供高达2A连续输出电流,输出电压最低可调至0.6V。采用恒定导通时间(COT)控制方案实现快速瞬态响应,集成使能控制、软启动、电源就绪指示功能,并具备过流保护、短路保护和热关断机制。器件通过低ESR陶瓷电容稳定工作,适用于便携设备及低压I/O系统供电。
描述DCDC降压,电源输入7V以内,1A~3A(中电流)方案,
RoHSSMT扩展库
3000个/圆盘
总额¥0
近期成交7单
描述DCDC降压,电源输入7V以内,1A~3A(中电流)方案,MP2161是一款单片同步降压开关模式转换器,内置功率MOSFET。它可以在2.5V至6V的输入电压范围内工作,提供高达2A的连续输出电流。该器件采用恒定导通时间控制方案,提供快速瞬态响应和环路稳定。内置17μA的低静态电流,支持EN和Power Good引脚用于电源排序。
3000个/圆盘
总额¥0
近期成交54单