芯片简介
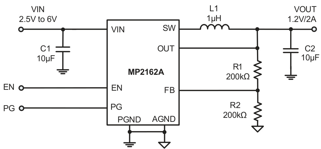
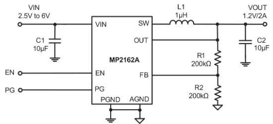
MP2162A是一款单片降压开关转换器,内置功率MOSFET,支持2.5V至6V输入电压范围,可提供2A连续输出电流,输出电压可调至最低0.6V。采用恒定导通时间控制方案,具有快速瞬态响应和简化的环路稳定性。集成过流保护(逐周期限流)、短路保护(打嗝模式)和热关断功能,内部包含控制电路、MOSFET开关及反馈网络,支持使能控制和软启动功能。
芯片特点:
输入2.5V~6V
输出2A
内置MOS
1.5MHz
使能
软启动

MP2162A是一款单片降压开关转换器,内置功率MOSFET,支持2.5V至6V输入电压范围,可提供2A连续输出电流,输出电压可调至最低0.6V。采用恒定导通时间控制方案,具有快速瞬态响应和简化的环路稳定性。集成过流保护(逐周期限流)、短路保护(打嗝模式)和热关断功能,内部包含控制电路、MOSFET开关及反馈网络,支持使能控制和软启动功能。
描述DCDC降压,电源输入7V以内,1A~3A(中电流)方案,
RoHSSMT扩展库
5000个/圆盘
总额¥0
近期成交1单
描述DCDC降压,电源输入7V以内,1A~3A(中电流)方案,
RoHSSMT扩展库
5000个/圆盘
总额¥0
近期成交5单