芯片简介
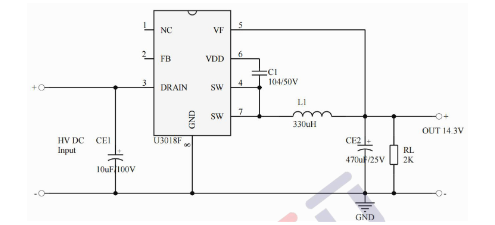
U3018F是一款高性能PWM控制功率开关,支持离线式降压和升降压拓扑,集成180V/2.5AMOSFET和200V高压启动电路。采用多模式控制技术实现无异音工作,待机功耗低于50mW,具备完善的保护功能包括过载保护、过热保护、输出过压保护和VDD电压箝位。集成软启动电路优化EMI性能,默认输出14.3V,适用于电信电源、工业控制等场景。
芯片特点:
输入18V~180V
输出1.4A~1.8A
内置MOS
60kHz
软启动


U3018F是一款高性能PWM控制功率开关,支持离线式降压和升降压拓扑,集成180V/2.5AMOSFET和200V高压启动电路。采用多模式控制技术实现无异音工作,待机功耗低于50mW,具备完善的保护功能包括过载保护、过热保护、输出过压保护和VDD电压箝位。集成软启动电路优化EMI性能,默认输出14.3V,适用于电信电源、工业控制等场景。
描述U3018F是一款高性能低成本PWM控制功率器,适用于离线式小功率降压型应用场合,外围电路简单、器件个数少。同时产品启动模块内置高耐压MOSFET可提高系统浪涌耐受能力。集成2.5A 180V MOS,支持降压和升降压拓扑,具有多模式PWM控制技术,可实现自动调节开关频率,降低待机功耗。
RoHSSMT扩展库
4000个/圆盘
总额¥0
近期成交80单