芯片简介
XL1507是一款150KHz固定频率PWM降压DC/DC转换器,支持4.5V至40V宽输入电压范围,可驱动3A负载并实现高效率与低纹波。其内部集成频率补偿、固定频率振荡器、优化功率晶体管及多重保护功能(包括过流限制、热关断)。控制电路支持0-100%线性占空比调节,通过外部电阻网络反馈输出电压,并具备使能引脚控制开关状态。
芯片特点:
输入4.5V~40V
输出3A
内置MOS
150KHz
使能

XL1507是一款150KHz固定频率PWM降压DC/DC转换器,支持4.5V至40V宽输入电压范围,可驱动3A负载并实现高效率与低纹波。其内部集成频率补偿、固定频率振荡器、优化功率晶体管及多重保护功能(包括过流限制、热关断)。控制电路支持0-100%线性占空比调节,通过外部电阻网络反馈输出电压,并具备使能引脚控制开关状态。
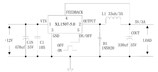
描述DCDC降压,电源输入30V以上,1A~3A(中电流)方案,5.0V
SMT扩展库
2500个/圆盘
总额¥0
近期成交57单
描述DCDC降压,电源输入30V以上,1A~3A(中电流)方案,DC-DC降压IC,3A大电流,输入4.5~40V,输出可调1.23-37V,频率150K
SMT扩展库
2500个/圆盘
总额¥0
近期成交100单+