芯片简介
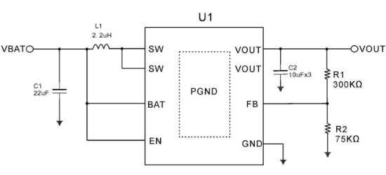
TP5188是一款同步升压芯片,内部集成功率MOS,适用于电池供电的便携设备。支持输出短路保护、重载保护及过温保护,工作频率550KHz,5V输出时最大电流2.1A,轻载时采用打嗝模式以降低功耗。EN使能控制待机电流低于1μA,同步整流结构无需外接二极管,典型效率达91%。
芯片特点:
输入2.8V~5V
输出5V
输出2.1A
内置MOS
550KHz
使能

TP5188是一款同步升压芯片,内部集成功率MOS,适用于电池供电的便携设备。支持输出短路保护、重载保护及过温保护,工作频率550KHz,5V输出时最大电流2.1A,轻载时采用打嗝模式以降低功耗。EN使能控制待机电流低于1μA,同步整流结构无需外接二极管,典型效率达91%。
描述TP5188是一款同步升压芯片,主要应用于电池供电的便携式设备,内部集成了功率MOS,外部应用电路非常简单。内置输出短路保护、输出重载保护和过温保护,工作频率为550KHz,5V输出时最大输出电流为2.1A。
SMT扩展库
4000个/圆盘
总额¥0
近期成交100单+