芯片简介
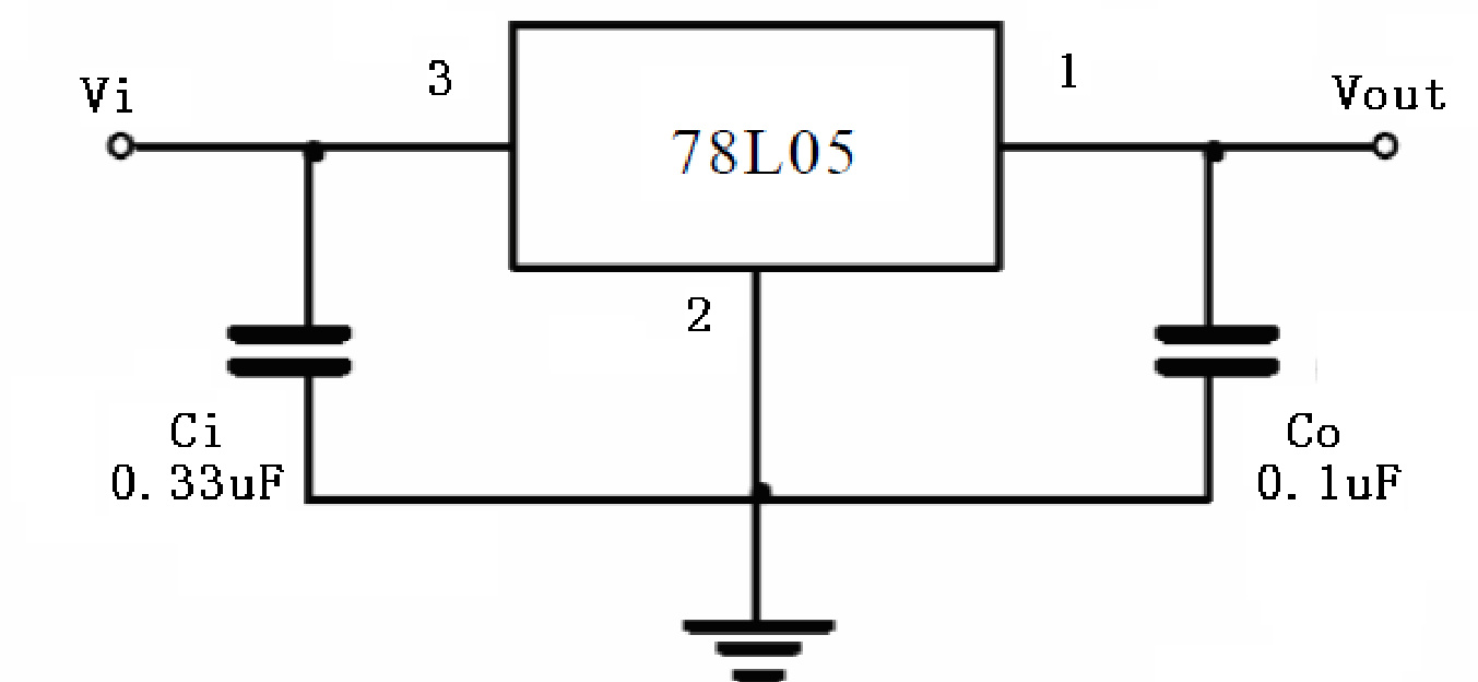
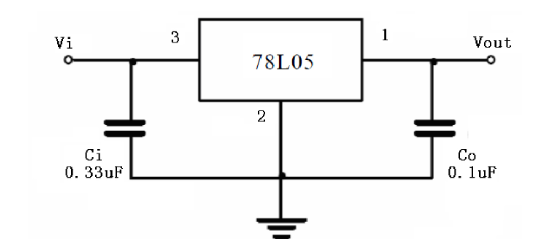
BL78L05D是一款5V输出的低噪声线性稳压器,最大输出电流0.1A,具有±2%的输出电压精度和热过载保护功能。
芯片特点:
输入35V
输出0.1A
精度±2%
输出5V

BL78L05D是一款5V输出的低噪声线性稳压器,最大输出电流0.1A,具有±2%的输出电压精度和热过载保护功能。
| 开源项目名称 | 开源项目介绍 |
|---|---|
| C2842719-LDO方案验证板(A版) | LDO验证板A版:3款SOT-23-3、3款SOT-89-3、2款SOT-23-5、2款SOT-23-6、2款SOT-223。 |
描述特性:最大输出电流:0.1A。输出电压:5V。热过载保护。输出电压精度:2%
SMT扩展库
1000个/圆盘
总额¥0
近期成交55单