芯片简介
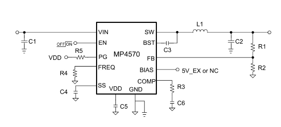
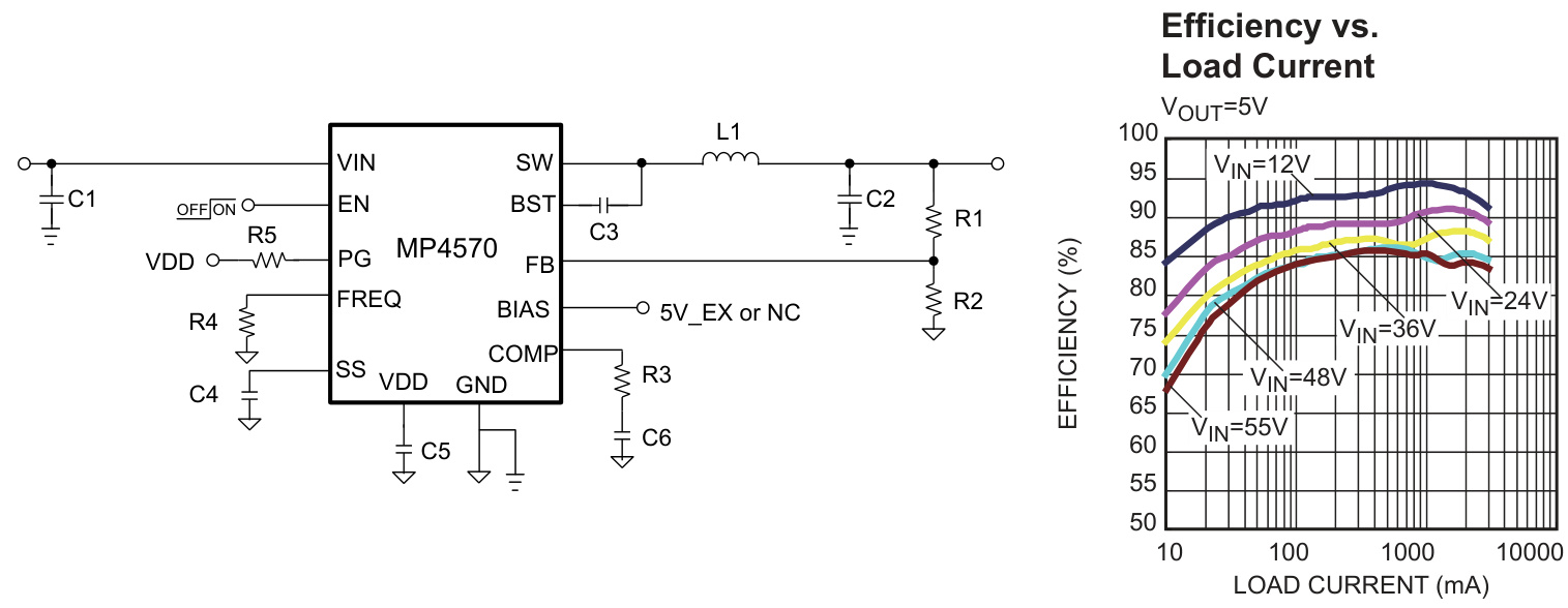
MP4570是一款频率可编程的降压型开关转换器,集成高边和低边功率MOSFET,提供3A连续输出电流。采用峰值电流模式控制以实现优异的瞬态响应和效率,支持4.5V至55V宽输入电压范围,适用于工业、PoE、汽车等高电压总线应用。内置过流保护(谷值电流检测)、过压保护及自恢复热保护,可选外部软启动,具有使能控制、电源良好指示功能。轻载时自动降低开关频率并关闭低边MOSFET以减少损耗,全集成同步操作模式降低导通损耗并节省外部元件空间。
芯片特点:
输入4.5V~55V
输出3A
内置MOS
400kHz~640kHz
使能
软启动




