芯片简介
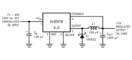
XH2576系列是单片集成的高效降压稳压器,支持3A负载,提供3.3V、5V、12V固定输出及1.23V~37V可调输出版本。内置固定频率振荡器和频率补偿电路,仅需4个外部元件。具备±4%输出电压精度、热关断和电流限制保护,适用于替换线性稳压器以减少散热需求。支持TTL关断控制及低功耗待机模式,兼容标准电感设计。
芯片特点:
输入40V~60V
输出3A
52kHz
使能

XH2576系列是单片集成的高效降压稳压器,支持3A负载,提供3.3V、5V、12V固定输出及1.23V~37V可调输出版本。内置固定频率振荡器和频率补偿电路,仅需4个外部元件。具备±4%输出电压精度、热关断和电流限制保护,适用于替换线性稳压器以减少散热需求。支持TTL关断控制及低功耗待机模式,兼容标准电感设计。
| 开源项目名称 | 开源项目介绍 |
|---|---|
| DCDC-TO263-5封装方案验证板 | PCB适用于TO263-5封装的DCDC降压芯片,由于包含型号较多,不同型号之间的参数存在差异,所以部分元件选用时需要视实际情况决定。 |
描述功能类型:降压型 同步整流:否 输出通道数:1 拓扑结构:降压式 输入电压:4V~40V 输出电压:5V 输出电流(最大值):3A 开关频率:52kHz SIMPLE SWITCHER? 3A 降压电压稳压器
SMT扩展库
500个/圆盘
总额¥0
近期成交28单
描述PCB空板 PCB适用于TO263-5封装的DCDC降压芯片,由于包含型号较多,不同型号之间的参数存在差异,所以部分元件选用时需要视实际情况决定。
1个/袋
总额¥0
近期成交2单