芯片简介
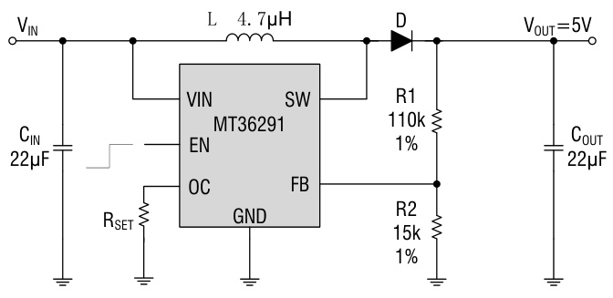
MT36291是一款固定频率电流模式升压转换器,集成80mΩ功率MOSFET,支持2.2V-16V宽输入电压范围和最高20V输出电压。具有1.2MHz固定开关频率、可调过流保护(0.5A~2.5A)、内部补偿、过压保护功能,内置软启动机制可降低浪涌电流。采用自动脉冲频率调制模式提升轻载效率,包含欠压锁定、电流限制及热过载保护电路。
芯片特点:
输入2.2V~16V
输出~20V
内置MOS
1.2MHz
使能
软启动

MT36291是一款固定频率电流模式升压转换器,集成80mΩ功率MOSFET,支持2.2V-16V宽输入电压范围和最高20V输出电压。具有1.2MHz固定开关频率、可调过流保护(0.5A~2.5A)、内部补偿、过压保护功能,内置软启动机制可降低浪涌电流。采用自动脉冲频率调制模式提升轻载效率,包含欠压锁定、电流限制及热过载保护电路。
描述MT36291是一款高效率的1.2MHz电流模式升压转换器,适用于小型低功耗应用。它具有内部80mΩ功率MOSFET,输入电压范围为2.2V至16V,固定开关频率为1.2MHz,可调输出电压,最大输出电流为2.5A。该器件还具有过流保护、过压保护和轻载脉冲频率调制模式等功能。
RoHSSMT扩展库
3000个/圆盘
总额¥0
近期成交100单